|
PCI EXPRESS SMT |
|
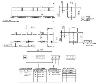
PCI EXPRESS SMT CARD EDEG Pitch:1.0 36PIN ~164pin With post 、Without post |
Products summary |
|
L/T:4~5Week |
|
P/N:PES-XXX-XXX-XXX |
|
MATERIALS INSULATOR:THRMOPLASTIC, HIGH TEMP., UL94-0 RATED CONTACT:COPPER ALLOY CLIP: COPPER ALLOY PLATING:MATING AREA - SELECTED GOLD OVER NICKEL.SOLDER AREA-TIN OVER NICKEL.
ELECTRICAL VOLTAGE RATING: 250 VAC CURRENT RATING: 1.0 AMP INSULATION RESISTANCE: 800 MEGOHMS MIN CONTACT RESISTANCE: 20 MILLIOHMS MAX
MECHANICAL CONTACT RETENTION: 0.5kgf min
INSETION FORCE: Mating Force 117g/per pin Max Unmating Force 15g/per pin Min ENVIRONMENTAL TEMPERATURE RANGE:-55º TO +85º |


|
廣 鎰 電 子 有 限 司 |
|
Kung Yi Eletronic Co., Ltd |
|
Contact Us |
|
地址:新北市三峽區介壽里光明路75巷22-1號 ADD:1F, No. 22-1, Lane75, Guang Ming Rd., Sansia Dist, New Taipei City 237, Taiwan 電話(TEL): 886-2-2674-5663 傳真(FAX): 886-2-2674-8697 電子郵件(Mail): sales@kyect.com.tw |
|
| HOME | SO DDR 200P |SO DDR 204P | PCI | PCI-E | DDR | RJ | SLOT | PIN HEADER | IC SOCKET | SMART CARD | CABLE(1) | CABLE(2) | CABLE(3) | POWER CABLE |ADAPTER | |
|
Drawings |
|
Technical Data |