|
SLIM PCI LOW PROFILE |
|
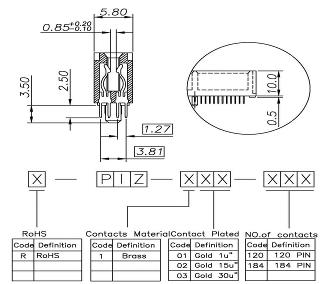
SLIM PCI (LOW PROFILE)CARD EDGE EDEG Pitch:1.27 120PIN & 184PIN |
Products summary |
|
MATERIALS INSULATOR:GLASS-REINFORCED HERMOPLASTIC. UL94-0 RATED CONTACT:COPPER ALLOY PLATING:MATING AREA - SELECTED GOLD OVER NICKEL.SOLDER AREA-TIN OVER NICKEL.
ELECTRICAL VOLTAGE RATING: 250 VAC RMS CURRENT RATING: 1.0 AMP INSULATION RESISTANCE: 1000 MEGOHMS MIN CONTACT RESISTANCE: 30 MILLIOHMS MAX
MECHANICAL CONTACT RETENTION: 460 GRAMS MIN PER CONTACT INSETION FORCE: 230 GRAMS MAX PER CONTACT PAIRWTHDRAWAL FORCE: 15 GRAMS MIN PER CONTACT PAIR
ENVIRONMENTAL TEMPERATURE RANGE:-55º TO +85º |
|
L/T:4~5Week |
|
P/N:R-SIZ-XXX-XXX-XXX |



|
廣 鎰 電 子 有 限 司 |
|
Contact Us |
|
地址:新北市三峽區介壽里光明路75巷22-1號 ADD:1F, No. 22-1, Lane75, Guang Ming Rd., Sansia Dist, New Taipei City 237, Taiwan 電話(TEL): 886-2-2674-5663 傳真(FAX): 886-2-2674-8697 電子郵件(Mail): sales@kyect.com.tw |
|
Kung Yi Eletronic Co., Ltd |
|
| HOME | SO DDR 200P |SO DDR 204P | PCI | PCI-E | DDR | RJ | SLOT | PIN HEADER | IC SOCKET | SMART CARD | CABLE(1) | CABLE(2) | CABLE(3) | POWER CABLE |ADAPTER | |
|
Drawings |
|
Technical Data |